







程力专用汽车股份有限公司销售二十六分公司主导品种有洒水车系列、吸污(吸粪)车系列、垃圾车系列、扫地车系列、油罐加(运)油车系列、高空作业车系列、清障车系列、随车吊系列、自卸车系列、教练车系列、半挂车系列、化工车系列、消防车系列、厢式(冷藏车)系列、牵引车系列、粉粒物料车系列、搅拌车系列、压力容器系列、专用车配件等十八大系列300多个品种车型。
产品图片








行驶状态主要技术参数
类别 | 项目 | 单位 | 数据 |
底盘参数 | 底盘型号 | 陕汽 YTQ1111KK422 | |
轴距 | mm | 4200 | |
发动机型号 | WP3NQ160E61 | ||
发动机功率 | kw | 118 | |
尺寸参数 | 总长 | mm | 8060,8310,8370 |
总宽 | mm | 2500,2450 | |
总高 | mm | 3430,3510,3350,3200 | |
质量参数 | 乘坐人数(含驾驶员) | 人 | 3 |
总质量 | kg | 9850,10450 | |
行驶参数 | 前悬 | mm | 1130 |
后悬 | mm | 2730 | |
后伸 | mm | 240 | |
**行驶速度 | km/h | 95 | |
**小离地间隙 | mm | 215 | |
接近角 | ° | 19 | |
离去角 | ° | 9 |
类别 | 项目 | 单位 | 数据 | |
主要性能参数 | 检测电压 DL/T976-2017 | kV | 45 | |
工作平台额定载荷 | kg | 220 | ||
**作业高度 | m | 21 | ||
**作业高度时作业幅度 | m | 4.7 | ||
侧方**作业幅度 | m | 13 | ||
工作平台回转 | º | ±180 | ||
平台提升高度 | mm | 400 | ||
**起吊重量 | kg | 260 | ||
支腿跨距 | 横向 | mm | 6400 | |
纵向 | mm | 4600 | ||
平台起升时间 | s | 60≤t≤100 | ||
臂架回转速度 | s/r | 100≤t≤150 | ||
支腿收放时间 | s | ≤60 | ||
作业状态主要技术参数
部件名称 | 简要说明 |
底盘 | 陕汽YTQ1111KK422 |
发动机 | 潍柴动力 WP3NQ160E61,功率 118kW, 国Ⅵ排放 |
驾驶室 | 排半、乘坐 3 人,驾驶室装备空调 |
围板及走台板 | 防滑走台板、菱形滚花碳钢围栏、两侧大工具箱 |
取力系统 | 取力器与变速箱直连 |
工作平台 | 1050×750×1000mm 双人玻璃钢平台, 耐压 45kV+内衬;液压工作平台±180°旋转、垂直倾倒功能;额定载荷 220kg;紧急停止 |
臂架形式 | 混合臂:一臂+二臂+伸缩臂(单独伸缩)+小拐臂(可选装绝缘吊钩) |
回转装置 | 连续 360°无限回转 |
支腿 | 前后 H型,单独可调 |
操作 | 工作平台和转台+下车三组操控系统。 |
**系统 | 全液压比例**系统,实现电液比例调速、开环液压**系统 |
| 主从式液压调平装置 |
其它 | 工作平台处发动机点火、熄火装置、工作平台内衬、绝缘外斗工作平台防护罩、液压吊臂变幅与回转、平台提升装置 |
基本功能及安全配置
名称 | 简要说明 |
上下车互锁装置 | 用于上下车互锁,防止误操作发生倾翻危险 |
油缸止回缩装置 | 防止液压管路发生故障时油缸回缩, 工作臂坠落的 安全保护装置 |
| 当底盘发动机或液压主泵发生故障时,提供应急动 力将工作人员送回到地面 |
紧急停止装置 | 用于紧急停止操作 |
整车水平状态测试仪 | 可检测整车横向、纵向两个方向倾斜状态 |
发动机点火熄火 | 在转台和平台处可对发动机进行点火、熄火** |
主要特点简介
CLW5100JGKCDT型高空作业车是程力专用汽车股份有限公司推出的
绝缘型高空作业车,性能达到国际**水平,主要特点如下:
1.绝缘性能
◆具有2.5m 有效绝缘预伸段
避免操作人员到达作业点时因绝缘段伸出长度不够无法作业,安全性好。
◆绝缘臂部分采用进口纤维等材料制作,强度高,绝缘性能更强。

2.操作系统
◆采用3D 多功能手柄,可
**上臂升/降,上臂伸/缩,
转台旋转等动作,轻松实现工
作平台全方向运动。
◆全液压多路手动比例阀
操作简单,易于**,调速性能好,
可实现工作过程中各动作的电液比例调速、动作平稳,无冲击、无抖动。
◆下车支腿操作布置在车辆尾部,方便操作人员观察工作状态,避免因为
视觉盲区发生危险,提高安全性和舒适性。
◆工作平台置于走台板平面上,进出工作平台安全方便。
◆管线内藏,更适应复杂线路穿相作业。
3.上装部分
◆液压系统采用进口部件使车辆性能更稳定。
◆采用折叠+伸缩的混合型工作臂,跨越障碍能力强,可快速到达作业点,方便快捷,简单实用。

4.工作平台
◆可回转±180°
◆斗提升0.4m, 增加作业的范围,提高工作效率。
◆平台带有踏步,方便工作人员进出作业。
◆配有防雨盖,有效保护工作平台绝缘性。
5.绝缘伸缩臂浮动式滚轮支撑
◆托辊滚轮导向支撑
◆臂间摩擦小,绝缘臂损伤小,有利于保护玻璃钢表面,使工作臂更耐用。
6.伸缩臂油管拖链保护
◆伸缩臂油管用高强度封闭式工程塑料拖链保护拖动,油管折弯半径大,
仅承受内部油压,受力状态好,安全可靠。
7.油缸直推
◆伸缩臂为一节伸缩,伸缩油缸的两端分别连在一节及二节臂上,利用伸
缩油缸的伸缩带动二节臂的伸缩,安全性高。

8.安全装置齐全
◆油缸止回缩装置
◆应急电动液压泵
◆上下车互锁
◆紧急停止装置
◆水平仪测试装置
9.实用的**装置
◆大容量工具箱
工具箱容量大,长度大,密封性好、便于放置绝缘杆等绝缘工具。
走台板上方工具箱与围板围成封闭区域,方便放置更多物品。
作业范围图
工作斗额定载荷:220kg

进口关键件明细表
序号 | 名称 | ** | 简介 |
1 | 绝缘油管 | 进口 | 全套进口,绝缘好,安全性高、可靠性高 |
2 | 上下车互锁**阀 | 意大利 | 上下车动作选择切换,上下车自动互锁,安 全**,可靠性高 |
3 | 双向平衡阀 | 意大利 | 防止工作臂、平台自动下落, 保证动作平稳、 安全 |
4 | 单向平衡阀 | 德 国 | 防止大臂自动下落,具有特殊减振功能、动 作平稳性高 |
5 | 液压锁 | 意大利 | 防止垂直支腿自动回缩,安全**,可靠性 高 |
6 | 应急电动泵 | 德 国 | 整车动作的应急动力源,承载压力高、效率 高、寿命长 |
7 | 反光标识 | 美 国 | 附着力强,亮度大 |
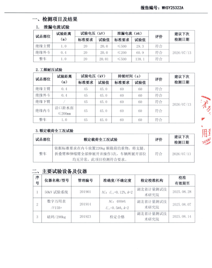
检验报告

整车证

| ·可按用户要求为根据用户的实际需求,为每位用户打造品质、个性化的专用车,欢迎新老客户来电来人考察订购和自带底盘改装! ·创优质服务企业; 造用户满意产品; 树品牌!公司坚持以“质量求生存、信誉求发展、科技创新路、服务创品牌”的经营理念,以“诚信、务实、创新、进取”为企业宗旨,不断提升自身产品质量,开发适应市场需求物美价廉的多功能专用汽车! |

我们将谒诚为您提供好、快、优质的服务! ·**步:购车洽谈: 通过电话联系或实地考察洽谈车辆型号、价格和相关要求。 ·**步:签订合同: 双方签订车辆购销合同并预付合同定金(传真签订合同、实地签订合同均可)。 ·第三步:安排生产: 我公司根据合同要求,安排车间生产。 ·第四步:交付车辆: 车辆交付验收,支付车辆余款,完成相关手续。 交付方式:客户可自提车辆,也可协商由我公司安排送车并协定相关费用.更多详细订车流程请来电咨询! |

售后服务承诺书
本公司是一家专用汽车企业。多年来经过公司全体员工的不懈努力,已形成一条完整的设计、销售、质量检测和售后服务的产业链。售后服务是我公司售前、售中和售后环节中的重要支柱。特别是近几年来随着公司能力的不断提升和出口贸易的展开,售后服务体系得到了完善。
服务体系
一、服务体系是质量管理体系的重要环节。
二、服务保障:本公司服务是严格履行公司程序文件和质量手册,结合市场和用户的要求,给予保障。
三、服务宗旨:专业创造价值,诚信铸就未来!
四、服务机构:在销售公司下的售后服务部门,负责公司售后服务工作和管理各驻外机构的服务工作。
服务原则
在用户严格遵循使用说明书,正常操作的情况下,自购车之日起(以车辆出厂登记卡为准)一年内,行驶里程不超过 25000公里之内,因设计、装配原因引起的产品机件损坏,经有关汽车服务站和监督部门鉴定后,在三个工作日内向我公司售后服务部门提交书面资料,售后服务部门确认后实行三包服务。
具体服务如下:
1、三包服务期内的产品质量以包修为主,修理费全免(不包括易损件和电器部分)。
2、终身保修。超过包修期内的产品,需更换配件的只收取相关成本费。
3、免费培训操作员:
⑴ 由我厂安排工程师现场指导,学习理论及实际操作;
⑵ 掌握专用车的基本理论,性能以及功能;
⑶ 按程序能熟练的操作;
⑷ 能进行正常的日常维护,排除一般技术故障。
